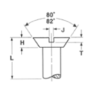
Phillips Flat
Phillips Flat Undercut
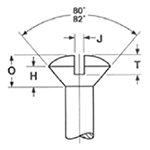
Phillips Oval
Zinc = TPFK010-------Z1
Zinc = TPFUK010-------Z1
Zinc = TPOK010-------Z1
Black Oxide = TPF010-------BO
Black Oxide = TPFUK010-------BO
Black Oxide = TPOK010-------BO
| Nominal Size | A | H | Undercut | Oval | Phillips Driver Size | |||||
| Head Diameter | Head Height | These Lengths or Shorter are Undercut | Head Height | Protrusion Above Gaging Diameter | ||||||
| Max | Min | Max | Min | Max | Min | Max | Min | |||
| 0 | .112 | .096 | .035 | .026 | 1/8 | .025 | .018 | .047 | .031 | 0 |
| 1 | .137 | .120 | .043 | .033 | 1/8 | .031 | .023 | .053 | .035 | 0 |
| 2 | .162 | .144 | .051 | .040 | 1/8 | .036 | .028 | .058 | .039 | 1 |
| 3 | .187 | .167 | .059 | .047 | .064 | .044 | 1 | |||
| 4 | .212 | .191 | .067 | .055 | 3/16 | .047 | .038 | .069 | .048 | 1 |
| 5 | .237 | .215 | .075 | .062 | 3/16 | .053 | .043 | .075 | .053 | 2 |
| 6 | .262 | .238 | .083 | .069 | 3/16 | .059 | .048 | .080 | .057 | 2 |
| 8 | .312 | .285 | .100 | .084 | 1/4 | .070 | .058 | .091 | .066 | 2 |
| 10 | .362 | .333 | .116 | .098 | 5/16 | .081 | .068 | .102 | .075 | 2 |
| 12 | .412 | .380 | .132 | .112 | 3/8 | .092 | .078 | .113 | .084 | 3 |
| 1/4 | .477 | .442 | .153 | .131 | 7/16 | .107 | .092 | .129 | .095 | 3 |
| 5/16 | .597 | .556 | .191 | .165 | 1/2 | .134 | .116 | .155 | .117 | 4 |
| 3/8 | .717 | .670 | .230 | .200 | 9/16 | .161 | .140 | .182 | .139 | 4 |
| 1/2 | .815 | .765 | .223 | .186 | 3/4 | .156 | .130 | .212 | .163 | 4 |
Dimensional specifications per ANSI B18.6.3
Disclaimer: The dimensions listed are for reference only. Sizes not listed may be available off the shelf or can be manufactured to customer requirements.